超高真空微型光柵尺SMG26
超高真空微型光柵尺SMG26特點,體積小,結構緊湊,適用于超高真空使用,良好的耐高溫性,高可達100℃,SMG26系列光柵的柵距為256μm,下表為不同細分倍數下的允許速度值,精度高,精度3μm(20℃),
服務電話:400-966-2800
服務手機:15756003283(微信同號)
澤攸科技的超高真空微型光柵尺SMG26是一款專為超高真空環境設計的精密測量工具,以其體積小、結構緊湊而著稱。這款光柵尺適用于極端的超高真空條件,同時具備良好的耐高溫性能,最高可承受溫度達100℃。
SMG26系列光柵尺的柵距為256微米,提供了不同細分倍數下的允許速度值,確保了測量的高精度。其絕對精度高達±3微米(在20℃條件下),這一精度水平使得SMG26在精密測量領域表現出色。光柵尺采用玻璃材質,膨脹系數小,從而保證了讀數的穩定性。
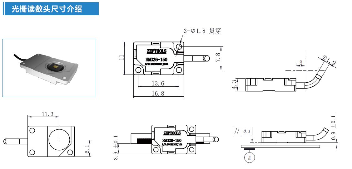
此外,SMG26的分辨率極高,配合TF15細分接頭使用,讀數分辨率可達1納米,這一特性使其在納米級別的精密測量中也能發揮重要作用。安裝容許公差大(容許誤差±0.1毫米),這為用戶提供了更大的安裝靈活性。
澤攸科技的超高真空微型光柵尺SMG26以其卓越的性能和可靠性,滿足了科學研究、精密工程和高端制造中對精確測量的需求,是超高真空環境中理想的測量解決方案。









